| 1 | 2 | 3 | 4 | 5 |
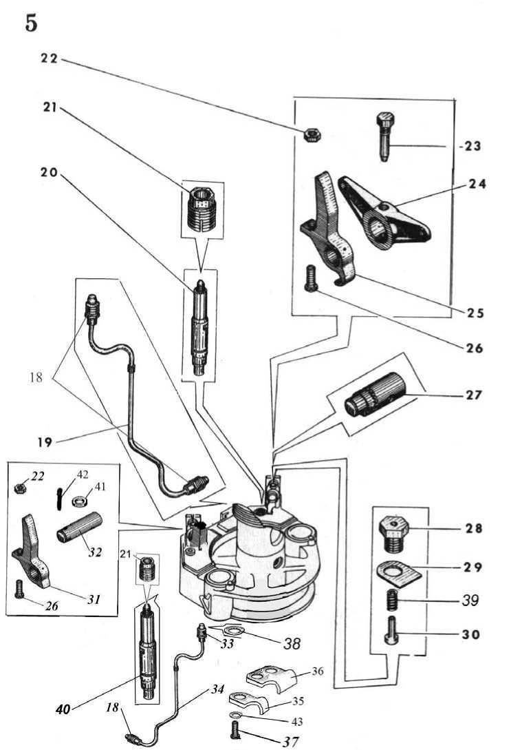
| 5 | 31 | СП6ВМ-01.00.003 | 1 | Рычаг |
| 32 | СП6ВМ-01.00.014 | 1 | Ось | |
| 33 | СП6ВМ-01.01.005 | 1 | Штуцер | |
| 34 | СП6В-01.05.000 СБ | 1 | Топливопровод | |
| 35 | СП6ВМ-01.00.006 | 1 | Хомут | |
| 36 | СП6ВМ-01.00.007 | 1 | Прижим | |
| 37 | М8х16.56.019 | 3 | Болт ГОСТ 7796-70 | |
| 38 | СП6В-01.00.014 | 1 | Шайба | |
| 39 | С330Б-01.00.04 | 1 | Пружина | |
| 40 | СП6В-01.06.000 СБ | 1 | Насос масляный | |
| 41 | 10.01.019 | 1 | Шайба ГОСТ 11371-78 | |
| 42 | 3,2×20-001 | 1 | Шплинт ГОСТ 397-79 | |
| 43 | 8.65Г | 3 | Шайба ГОСТ 6402-70 |
| Маслопровод СП6ВМ-01.03.000 СБ |
| 1 | 2 | 3 | 4 | 5 |
| 6 | 1* | СП6ВМ-01.03.001 | 1 | Труба |
| 2* | С330Б-01.02.05 | 2 | Кольцо | |
| 3* | С330Б-01.02.02 | 2 | Г айка накидная |
| Топливопровод СП6В-01.05.000 СБ |
| 1 | 2 | 3 | 4 | 5 |
| 6а | 1* | СП6В-01.05.001 | 1 | Труба |
| 2* | С330Б-01.02.05 | 2 | Кольцо | |
| 3* | С330Б-01.02.02 | 2 | Г айка накидная | |
| 4* | СП6В-01.05.002 | 1 | Рукав 10х18,5-10 |
| Насос масляный СП6ВМ-01.06.000 СБ |
| 1 | 2 | 3 | 4 | 5 |
| 7а | 2 | СП6В-01.02.006 | 1 | Корпус пружины |
| 3 | СП6В-01.02.007 | 1 | Пружина клапана | |
| 4 | 020,638-40 | 1 | Шарик ГОСТ 3722-81 | |
| 5 | С330Б-01.03.06 | 1 | Пружина толкателя | |
| 6 | СП6В-01.02.004 | 1 | Шайба | |
| 8 | СП6В-01.02.005 | 1 | Г ильза плунжера | |
| 9 | С330Б-01.03.04 | 1 | Плунжер | |
| 10 | С330Б-01.03.02 | 1 | Крышка | |
| 11 | С330Б-01.03.05 | 1 | Тарелка | |
| 12 | С330Б-01.03.03 | 1 | Толкатель |
| 10 |
| Насос топливный СП6В-01.02.000-01 СБ |
| 1 | 2 | 3 | 4 | 5 |
| 7 | 1 | СП6В-01.02.200 СБ | 1 | Фильтр в сборе |
| 2 | СП6В-01.02.006 | 1 | Корпус пружины | |
| 3 | СП6В-01.02.007 | 1 | Пружина клапана | |
| 4 | 020,638-40 | 1 | Шарик ГОСТ 3722-81 | |
| 5 | С330Б-01.03.06 | 1 | Пружина толкателя | |
| 6 | СП6В-01.02.004 | 1 | Шайба | |
| 8 | СП6В-01.02.005 | 1 | Г ильза плунжера | |
| 9 | С330Б-01.03.04 | 1 | Плунжер | |
| 10 | С330Б-01.03.02 | 1 | Крышка | |
| 11 | С330Б-01.03.05 | 1 | Тарелка | |
| 12 | С330Б-01.03.03 | 1 | Толкатель |
| Цилиндр СП7-02.00.000 СБ |
| 1 | 2 | 3 | 4 | 5 |
| 8 | 1 | С330Б-02.00.13 | 2 | Кольцо упорное |
| 2 | СП6В-02.00.011 | 2 | Кольцо | |
| 3 | 140×145-30-2-3 | 2 | Кольцо ГОСТ 9833-73 | |
| 4 | С330Б-02.00.09 | 2 | Втулка | |
| 5 | С330Б-02.00.02 | 1 | Штырь | |
| 5* | СП6ВМ-02.00.001 | 1 | Штырь(*правая резьба) | |
| 6 | СП60-01.02 | 2 | Пробка | |
| 7 | 30.05.01 | 1 | Шайба ГОСТ 11371-78 | |
| 8 | М30х2-7Н.5.019 | 1 | Гайка ГОСТ 5919-73 | |
| 9 | 6,3×70.019 | 1 | Шплинт ГОСТ 397-79 | |
| 10 | С330Б-02.00.04 | 1 | Втулка | |
| 11 | СП6В-02.00.008 | 4 | Втулка | |
| 12 | СП6В-02.00.009 | 2 | Стакан | |
| 13 | С330Б-02.00.05 | 2 | Крышка | |
| 15 | СП6В-02.00.012 | 12 | Болт | |
| 16 | СП7-02.01.000 СБ | 1 | Цилиндр | |
| 17 | С330Б-02.00.03 | 1 | Ось | |
| 18 | С330Б-02.00.08 | 6 | Вкладыш |
| Кошка СП6ВМ-03.00.000 СБ |
| 1 | 2 | 3 | 4 | 5 |
| 9 | 1 | С330Б-03.00.05 | 1 | Палец |
| 2 | СП6В-03.03.000 СБ | 1 | Крюк в сборе | |
| 3 | 30.01.019 | 3 | Шайба ГОСТ 11371-78 | |
| 4 | М30х2-7Н.5.019 | 3 | Гайка ГОСТ 5919-73 | |
| 5 | 6,3×70-019 | 3 | Шплинт ГОСТ 397-79 | |
| 6 | С330Б-03.00.01 | 1 | Кулачок | |
| 7 | СП6ВМ-03.01.000 СБ | 1 | Корпус кошки | |
| 8 | С330Б-03.00.06 | 1 | Палец | |
| 9 | 1.2Ц6 | 2 | Маслёнка ГОСТ 19853-74 | |
| 10 | СП6В-03.02.000 | 1 | Рычаг в сборе | |
| 11 | СП6В-03.04.000 | 1 | Пружина в сборе | |
| 12 | СП6В-03.00.001 | 1 | Ось | |
| 13 | СП6В-03.00.002 | 1 | Ось | |
| 14 | 16.01.019 | 2 | Шайба ГОСТ11371-78 | |
| 15 | 4×25-001-019 | 3 | Шплинт ГОСТ 397-79 |
| Инструмент и принадлежности СП7-00.00.00 |
| 1 | 2 | 3 | 4 | 5 |
| 10 | 1 | 7811-0041 | 1 | Ключ ГОСТ 2839-80* |
| 2 | 7811-0025 | 1 | Ключ ГОСТ 2839-80* | |
| 3 | 7811-0023 | 1 | Ключ ГОСТ 2839-80* | |
| 5 | 7812-0385 | 1 | Ключ ГОСТ 11737-93 | |
| 6 | АС-69 | 1 | Ключ торцевой | |
| 7 | 7811-0428 | 1 | Ключ (0165… 170) ГОСТ 16984-79 | |
| 8 | 7811-0043 | 1 | Ключ ГОСТ 2839-80* | |
| 9 | 7811-0046 | 1 | Ключ ГОСТ 2839-80* |
Примечание. * Поставляются по отдельному заказу
| номерной указатель |
| Обозначение | Рисунок | Обозначение | Рисунок |
| СП7-00.00.000 | 1,2 | С330Б-01.00.14 | 4 |
| СП7-01.00.000 | 2,5 | С330Б-01.00.16 | 4 |
| СП6ВМ-01.00.001 | 4 | С330Б-01.00.19 | 4 |
| СП6ВМ-01.00.002 | 4 | С330Б-01.00.20 | 4 |
| СП6В-01.00.002 | 3 | С330Б-01.02.02 | 6 |
| СП6В-01.00.003 | 3 | С330Б-01.02.05 | 6 |
| СП6ВМ-01.00.008 | 4 | С330Б-01.03.02 | 7а |
| СП6В-01.00.009 | 3 | С330Б-01.03.03 | 7а |
| СП6В-01.00.010 | 3 | С330Б-01.03.04 | 7а |
| СП6В-01.00.012 | 4 | С330Б-01.03.05 | 7а |
| СП6ВМ-01.01.000 | 3 | С330Б-01.03.06 | 7а |
| СП6В-01.01.004 | 4 | СП7-02.00.000 | 2, 8 |
| СП7-01.01.000 | 5, 7 | С330Б-02.00.02 | 8 |
| СП7-01.01.001 | 7 | С330Б-02.00.03 | 8 |
| СП7-01.02.001 | 7 | С330Б-02.00.04 | 8 |
| СП6В-01.02.003 | 7 | С330Б-02.00.05 | 8 |
| СП6В-01.02.004 | 7 | С330Б-02.00.08 | 8 |
| СП6В-01.05.000 | 5 | С330Б-02.00.09 | 8 |
| СП6В-01.05.001 | 6 | С330Б-02.00.13 | 8 |
| СП6ВМ-01.06.001 | 7а | С330Б-02.01.00 | 8 |
| СП6В-02.00.008 | 8 | С330Б-03.00.01 | 9 |
| СП6В-02.00.009 | 8 | С330Б-03.00.05 | 9 |
| СП6В-02.00.011 | 8 | С330Б-03.00.06 | 9 |
| СП6В-03.00.000 | 2, 9 | С330Б-05.00.00 | 5 |
| СП6В-03.00.001 | 9 | СП6ВМ-01.00.003 | 5 |
| СП6В-03.00.002 | 9 | СП6ВМ-01.00.004 | 5 |
| СП6В-03.01.000 | 9 | СП6ВМ-01.00.005 | 5 |
| СП6В-03.02.000 | 9 | СП6ВМ-01.00.006 | 5 |
| СП6В-03.03.000 | 9 | СП6ВМ-01.00.007 | 5 |
| СП6В-03.04.000 | 9 | СП6В-01.00.14 | 6 |
| С 330Б-00.00.01 | 2 | 2839 7811-0021 | 10 |
| С 330Б-00.00.02 | 2, 5 | 2839 7811-0023 | 10 |
| С 330Б-01.00.02 | 5 | 2839 7811-0025 | 10 |
| С330Б-01.00.03 | 5 | 2839 7811-0041 | 10 |
| С330Б-01.00.04 | 5 | 2839 7811-0043 | 10 |
| С330Б-01.00.05 | 5 | 2839 7811-0046 | 10 |
| С330Б-01.00.06 | 5 | 11737 7812-0385 | 10 |
| С330Б-01.00.08 | 5 | 16984 7811-0428 | 10 |
| С 330Б-01.00.09 | 5 | АС-69 | 10 |
| ПЕРЕЧЕНЬ СБОРОЧНЫХ ЕДИНИЦ |
| Обозначение | Наименование | Рисунок |
| СП7-00.00.000 СБ | Дизель-молот штанговый с ударной частью, массой 3000 кг. | 1,2 |
| СП6ВМ-01.00.000 СБ | Блок поршня | 3...5 |
| СП6В-01.05.000 СБ | Топливопро
вод |
6а |
| Обозначение | Наименование | Рисунок |
| СП6ВМ-01.03.000 СБ | Маслопровод | 6 |
| СП6В-01.02.000-01 СБ | Насос
топливный |
7 |
| СП6ВМ-01.06.000 СБ | Насос
масляный |
7а |
| СП7-02.00.000 СБ | Цилиндр | 8 |
| СП6ВМ-03.00.000 СБ | Кошка | 9 |
| СП7-00.00.000 | Инструменты и принадлежности | 10 |
| ДЕТАЛИ И СБОРОЧНЫЕ ЕДИНИЦЫ |
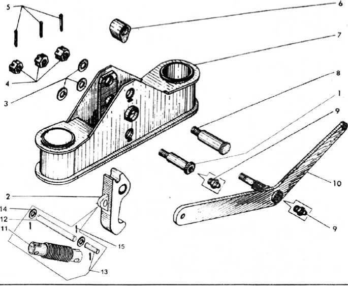
| Дизель-молот штанговый с ударной частью, массой 3000 кг СП7-00.00.000 СБ |
| Рису
нок |
Позиция | Обозначение | Кол-во на сборочную единицу | Наименование |
| 1 | 2 | 3 | 4 | 5 |
| 2 | 1 | СП6ВМ-01.00.000 СБ | 1 | Блок поршня |
| 2 | СП6ВМ-03.00.000 СБ | 1 | Кошка | |
| 3 | С330Б-00.00.01 | 1 | Захват | |
| 4 | С330Б-00.00.02 | 1 | Палец | |
| 5 | С330Б-05.00.00 СБ | 1 | Траверса | |
| 6 | СП77-07.00.08 | 2 | Шайба | |
| 7 | СП6В-00.00.04 | 2 | Валик | |
| 8 | М30х2-7Н.5.019 | 1 | Гайка ГОСТ5919-73 | |
| 9 | 6,3x60-019 | 3 | Шплинт ГОСТ397-79 | |
| 10 | СП7-02.00.000 СБ | 1 | Цилиндр |
| Блок поршня СП6ВМ-01.00.000 СБ |
| 1 | 2 | 3 | 4 | 5 |
| 3 | 1 | СП6В-01.00.003 | 2 | Штанга |
| 2 | С330Б-01.00.13 | 2 | Пробка спускная | |
| 3 | С330Б-01.00.12 | 2 | Прокладка | |
| 4 | С330Б-01.00.10 | 2 | Пробка заливная |
| 1 | 2 | 3 | 4 | 5 |
| 3 | 5 | СП6ВМ-00.00.003 | 2 | Болт стопорный |
| 6 | С330Б-01.00.09 | 2 | Гайка | |
| 7 | СП6ВМ-00.00.002 | 2 | Гайка | |
| 8 | С330Б-01.00.20 | 5 | Кольцо поршневое | |
| 9 | СП6ВМ-01.01.000 СБ | 1 | Поршень в сборе | |
| 4 | 10 | СП6ВМ-01.00.002 | 1 | Наголовник |
| 10а | СП6ВМ-01.00.001 | 1 | Пята | |
| 11 | M12-8gx20.56.019 | 4 | Болт ГОСТ 7798-70 | |
| 12 | СП6В-01.01.004 | 1 | Г нездо форсунки | |
| 13 | СП6ВМ-01.00.007 | 1 | Форсунка | |
| 14 | СП6В-01.00.012 | 2 | Прижим | |
| 15 | С330Б-01.00.14 | 1 | Палец | |
| 16 | С330Б-01.00.16 | 1 | Пробка | |
| 17 | СП6ВМ-01.00.008 | 1 | Серьга | |
| 17а | 12.65Г.019 | 2 | Шайба ГОСТ 6402-70 |
| 1 | 2 | 3 | 4 | 5 |
| 5 | 18 | С330Б-01.02.01 | 3 | Переходник |
| 19 | СП6В-01.05.000 СБ | 1 | Т опливопровод | |
| 20 | СП6В-01.02.000-01 СБ | 1 | Насос топливный | |
| 40 | СП6ВМ-01.06.000 СБ | 1 | Насос масляный | |
| 21 | С330Б-01.00.11 | 2 | Гайка | |
| 22 | С330Б-01.00.09 | 2 | Гайка | |
| 23 | С330Б-01.00.15 | 1 | Болт стопорный | |
| 24 | С330Б-01.05.00 СБ | 1 | Рычаг в сборе | |
| 25 | СП6ВМ-01.05.000 СБ | 1 | Рычаг в сборе | |
| 26 | С330Б-01.00.08 | 2 | Болт | |
| 27 | С330Б-01.00.02 | 1 | Валик эксцентриковый | |
| 28 | С330Б-01.00.06 | 1 | Пробка | |
| 29 | С330Б-01.00.03 | 1 | Шайба стопорная | |
| 30 | СП6ВМ-01.00.012 | 1 | Фиксатор |